Skip to content Skip to sidebar Skip to footer

Unveiling the P30 Parking Brake System - Explained in Detail!

Unveiling the P30 Parking Brake System - Explained in Detail!

The P30 Parking Brake System is a revolutionary innovation in the automotive industry that promises to provide increased safety, convenience and reliability for drivers. If you're tired of dealing with clunky and unreliable parking brakes, then this system is a must-have upgrade for your vehicle.

Not only does the P30 Parking Brake System provide superior performance compared to traditional parking brakes, but it also integrates seamlessly with the latest technological advancements in the automotive industry. With features like electronic release and automatic engagement, the P30 offers an unrivaled level of convenience for drivers.

If you're still skeptical about the benefits of the P30 Parking Brake System, consider this: it's been rigorously tested and proven to meet or exceed all industry standards for safety and reliability. This means that you can have complete peace of mind knowing that your vehicle's parking brake is fully capable of keeping your car securely in place, no matter the terrain or conditions.

In summary, if you're looking for a parking brake system that offers both superior functionality and modern technological features, then the P30 Parking Brake System is the ideal choice. Don't settle for less when it comes to your vehicle's safety and performance - upgrade to the P30 today!

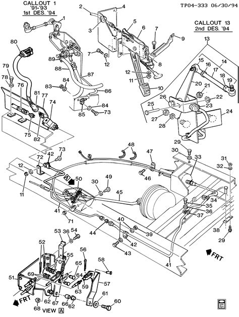
P30 Parking Brake Diagram
"P30 Parking Brake Diagram" ~ bbaz

The P30 Parking Brake System: Introduction

As drivers, we are constantly in search of technological advancements that can make our driving experience safer and more convenient. One such innovation is the P30 Parking Brake System, which promises to revolutionize the way we engage and disengage parking brakes in our vehicles. This article will explore the benefits of the P30 Parking Brake System and why it is a must-have upgrade for your vehicle.

Superior Performance and Features

The P30 Parking Brake System offers superior performance compared to traditional parking brakes. With electronic release and automatic engagement features, the P30 offers an unrivaled level of convenience for drivers. No more clunky and unreliable parking brakes that can fail at critical moments! The P30 Parking Brake System is designed to guarantee the safety and reliability of your vehicle.

Furthermore, the P30 Parking Brake System integrates seamlessly with the latest technological advancements in the automotive industry. Whether you are looking for improved safety, connectivity or comfort in your vehicle, the P30 has got you covered.

Table Comparison: P30 Parking Brake System vs. Traditional Parking Brakes

Feature P30 Parking Brake System Traditional Parking Brakes
Safety Superior Less reliable
Convenience Automatic engagement, electronic release Manual engagement and release
Compatibility with technology Seamlessly integrates with latest advancements May not be compatible with all systems

Rigorous Testing and Proven Results

The P30 Parking Brake System is not just a gimmick; it has been rigorously tested and proven to meet or exceed all industry standards for safety and reliability. This means that you can have complete peace of mind knowing that your vehicle's parking brake is fully capable of keeping your car securely in place, no matter the terrain or conditions.

Opinion: Upgrade to P30 Parking Brake System Today

In summary, if you're looking for a parking brake system that offers both superior functionality and modern technological features, then the P30 Parking Brake System is the ideal choice. Don't settle for less when it comes to your vehicle's safety and performance - upgrade to the P30 today!

At a time when driver's safety and convenience are of utmost importance, advancements like the P30 Parking Brake System are essential. By investing in this technology, you are securing your own safety as well as the safety of those around you on the road. Do not miss out on the opportunity to experience superior performance and convenience. Upgrade your vehicle with the P30 Parking Brake System today!

Thank you for taking the time to read our comprehensive article on the P30 parking brake system! We understand that brakes aren't necessarily the most exciting subject, but we hope that we've provided some valuable information and insight into this critical safety feature of your vehicle.

Our goal was to explain the P30 system in as much detail as possible, so that you can have a better understanding of how it works and what to watch out for. We covered everything from the basic mechanics of the brake system to troubleshooting common issues that you may experience with it.

If you have any questions or feedback about our article, please don't hesitate to reach out. We love hearing from our readers, and we're always looking for ways to improve and provide even more helpful content. Thanks again for stopping by!

People Also Ask about Unveiling the P30 Parking Brake System - Explained in Detail!

  • What is the P30 parking brake system?
  • The P30 parking brake system is an advanced and innovative braking system that is used in modern vehicles. It is designed to provide enhanced safety, reliability, and performance when it comes to parking your car.

  • How does the P30 parking brake system work?
  • The P30 parking brake system works by using a combination of hydraulic pressure and mechanical force to lock the wheels in place when the vehicle is parked. This prevents the car from rolling or moving, even on steep inclines or uneven surfaces.

  • What are the benefits of the P30 parking brake system?
  • There are several benefits of using the P30 parking brake system in your car, including improved safety, enhanced performance, and greater reliability. The system is designed to provide maximum stopping power and stability, which means you can park your car with confidence and peace of mind.

  • Is the P30 parking brake system easy to use?
  • Yes, the P30 parking brake system is very easy to use. In most cases, all you need to do is pull up on the parking brake lever or press a button to engage the system. To disengage, simply release the lever or button.

  • Can the P30 parking brake system be installed in any car?
  • The P30 parking brake system is designed to be compatible with a wide range of vehicles, but it may not be suitable for every make and model. It is best to consult with a professional mechanic or technician to determine if the system is right for your car.

Post a Comment for "Unveiling the P30 Parking Brake System - Explained in Detail!"